Other Parts Discussed in Thread: TVS3301
To whom it may concern,
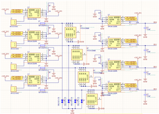
I´ll try to explain my problem. We are developing a DAQ Board to receive 4-20 mA Loop. We are designing the board with VDC source integrated on it so we would like to know the best way to protect current loop properly. We have seen the TPS26612 integrated and we think is suitable for our purpose.
The question is if we only need to use a TPS26612 Through the current signal chain (4-20mA input system) or if it is necesary as well to put a TPS26612 between 24Vdc and 4-20 mA Sensor (into de current loop).
I think the last TPS mencioned it´s not necesary but I want your advice. I send a figure showing it. Thanks


