This thread has been locked.

If you have a related question, please click the "Ask a related question" button in the top right corner. The newly created question will be automatically linked to this question.

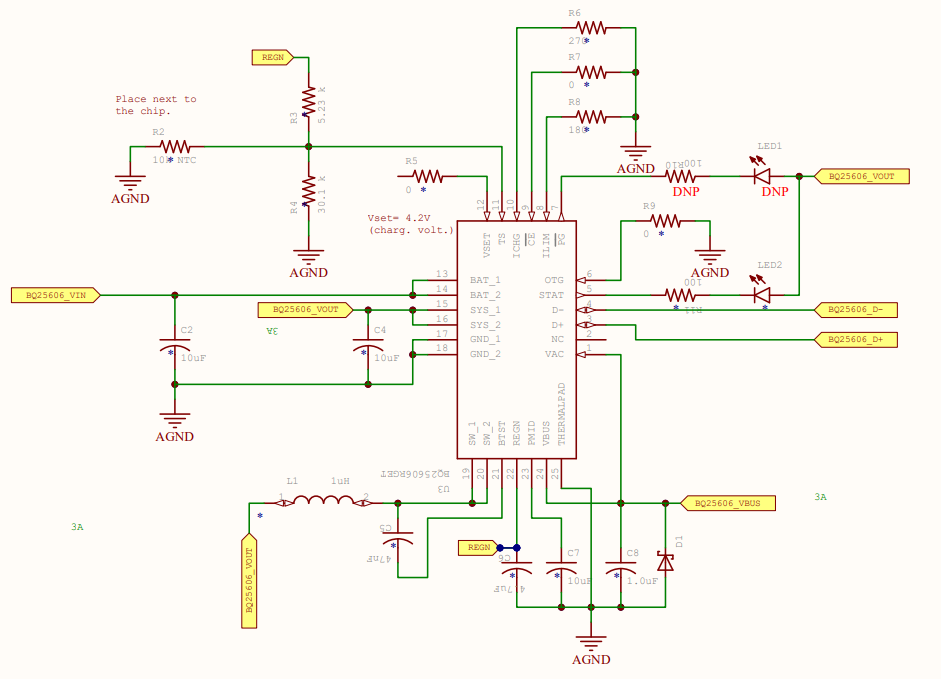
BQ25606: Charge current limitation

Part Number: BQ25606

Hi,

I am using the BQ25606 in a custom design, and I have some issues understanding why the charge current is not reaching the max current setup by Rchg.

The charging current is 1.8A max while the battery voltage is 3.5V, and slowly decrease with the charge continuing.

I tried to change the power supply between 5V-2.4A / 5V-3A / 5V-4.5A, but the input current is never reaching was setup with Rilim, and the charging current stay stable.

I tried to replace the 10K NTC thermistor by a 10K resistor, but is doesn't affect the charge current.

Is there something that I am missing that could limit the charging current? Is the chip limiting the current before the battery reaching 4.2V?

Best,

Vincent

  • Vincent,

    Please visit https://e2e.ti.com/support/power-management-group/power-management/f/power-management-forum/890626/faq-bq25606-schematic-review-and-pcb-layout-design-tips for BQ25606: Schematic Review and PCB Layout Design Tips. Additional Information including FAQs is available http://www.ti.com/lit/an/slva924/slva924.pdf Designing A Standalone Single Cell 3-A Charger with the bq25606.

    If the VBUS voltage increases to higher (e.g. 6V/2A or 9V/2A power supply), will the charge current reach 1.8A?

    Thanks,

    Ning.

  • Hi Ning,

    I cannot increase VBUS voltage since it is also used for USB communication (limited to 5V).

    Here some numbers I get while charging with 5V/2.4A.

    Time_chg Voltage_chg(V) Current_chg(A) Current_in(A)
    0:00 3.69 1.98 2.03
    0:05 3.91 1.59 1.63
    0:10 3.98 1.51 1.56
    0:15 3.99 1.52 1.57
    0:20 4.01 1.48 1.53
    0:25 4.02 1.47 1.51
    0:30 4.02 1.43 1.47
    0:35 4.03 1.39 1.42
    0:40 4.03 1.35 1.38
    0:45 4.04 1.31 1.34
    0:50 4.04 1.29 1.31
    0:55 4.04 1.28 1.3
    1:00 4.05 1.26 1.28
    1:05 4.05 1.24 1.26
    1:10 4.05 1.23 1.24
    1:15 4.05 1.24 1.25
    1:20 4.05 1.19 1.2
    1:25 4.06 1.17 1.18
    1:30 4.06 1.15 1.16
    1:35 4.06 1.13 1.13
    1:40 4.07 1.1 1.1
    1:45 4.07 1.08 1.07
    1:50 4.07 1.05 1.04
    1:55 4.08 1.03 1.02
    2:00 4.08 1 0.99
    2:05 4.08 0.97 0.96
    2:10 4.09 0.95 0.94
    2:15 4.09 0.93 0.92
    2:20 4.09 0.88 0.87
    2:25 4.1 0.86 0.84
    2:30 4.1 0.82 0.81

    The BQ25606 seems to enter into voltage regulation mode while the battery voltage is way under the target value (4.2V). Is there any fine-tuning to the battery voltage measurement to do?

    Vincent

  • Vincent,

    1. Is it possible to use a lab power supply (e.g. 6V/2A or 9V/2A) instead of a USB adapter for debugging purpose?

    2.Could you please share VBUS (voltage at VBUS pin), IVBUS, VBAT (voltage at BAT pin), IBAT, VSYS, ISYS for your test? Please note that the device controls charging based on the IC pin voltages. e.g. the BAT pin voltage is considered as the battery voltage which may be different from the battery terminal voltage.

    Thank you very much,

    Ning.