This thread has been locked.

If you have a related question, please click the "Ask a related question" button in the top right corner. The newly created question will be automatically linked to this question.

BQ79616-Q1: Power management forum

Part Number: BQ79616-Q1

Hi Team, 

Customer is trying to install BQAutoEval for BQ79616- Q1, but they have failed with below report:

They are using Win 10 Pro system.

Here is their log file:

BQAutoEval_1.0.4.log

Can you please help to advise what is causing this failure and how to fix this.

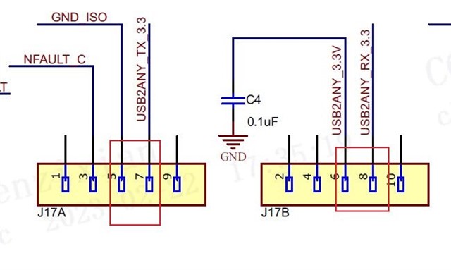
Besides that, is it possible to connect 4 pins in red to MCU UART?

Thanks