This thread has been locked.

If you have a related question, please click the "Ask a related question" button in the top right corner. The newly created question will be automatically linked to this question.

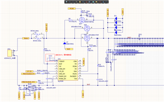
BQ76200: SCH review

Part Number: BQ76200

Hi team:

 My customer use BQ76200 as the high side switch of the 48V BAT pack, in the Static status ,the DSG is driven. When it starts to discharge or charge, the DSG driver will be turned off.  would you please help to see if the following schematic diagram is reasonable?

 tks in advance.