This thread has been locked.

If you have a related question, please click the "Ask a related question" button in the top right corner. The newly created question will be automatically linked to this question.

BQ79606A-Q1: Use the 6 channels to measure the same cell 3 times?

Part Number: BQ79606A-Q1

Hi team,

Interested application question for the BQ79606A-Q1. The BQ79606A-Q1 specifies a minimum of 3 cell voltage measurements.

Does it need to measure a minimum of 3 series-connected cells? or just three measurements?

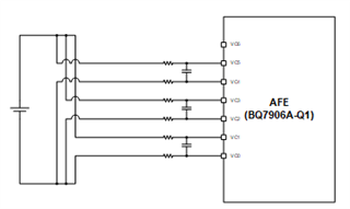
In the setup depicted below, the BQ79606A-Q1 would measure the same cell 3 separate times. Is this possible? If not with the BQ79606A-Q1, could we do it with any of our BQ monitors?

Thanks,

Jacob