This thread has been locked.

If you have a related question, please click the "Ask a related question" button in the top right corner. The newly created question will be automatically linked to this question.

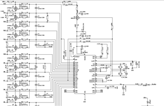
BQ76940: when connect to Jlink the SDA pin will get pulled down sometimes.

Part Number: BQ76940

Hi E2E:

The customer is designing a new product using BQ7694003.

At present, the simulation test is conducted with 15 batteries supplying 20V.

The BQ7694003 will pull down the SDA pin (probabilistic)  when the Jlink reburning program or Unplugging the Jlink line.

We still don't know why it happened.

We try to let the MCU forced pull-up to release the bus, but it`s still not work.

And we try to make the MCU re-initialization of the BQ76940 TS1 boot but it cannot be restored.

Until we turn off the power of BQ76940 and power it on again, the SDA's level can be right again.

Could you please help to find out the reason which cause that problem?

Thanks

BR