status:
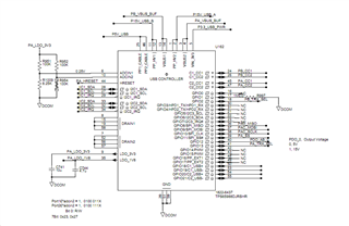
We have used TPS65988DJ to manage 2 ports USB-C output, the power capacity is 5V/3A and 15V/3A. (no TBT circuit)
Application Customization Tool (6.1.4) has no configuration for TPS65988DJ, we use template of TPS65988DH and set the GPIO by our design.
We use GPIO12 to select power output, Mapped Event: Port 0 Source PDO Negotiated TT 1 , and test power output of port 0.
generate bin file and program it to flash, the port can work at 5V, but can't set the power to 15V, we have monitor the PD signal, communication is right, but no PS_RDY output while device need 15V.
we have monitor the GPIO12 by IIC, the data can't keep high, it jumps between 1 and 0. but I have capture the GPIO12 output by oscillograph, no high level output.
question:
1. general GPIO control by mapped event, it should be according TRM description, the different of FW by DJ and DH may cause GPIO set failure?
2. do we need to replace DJ for our current hardware? whether we can modify setting for DJ hardware and PD output for 15V.
