Hi team,
I am using BQ33100 in my design. I referred the datasheet and found there are two grounds used in the reference schematic. Can anyone help in understanding why it is used. Also attaching snippet of the same.
Thanks & Regards,
Vishnu V
This thread has been locked.
If you have a related question, please click the "Ask a related question" button in the top right corner. The newly created question will be automatically linked to this question.
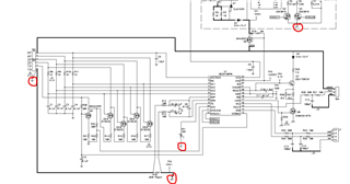
Hi team,
I am using BQ33100 in my design. I referred the datasheet and found there are two grounds used in the reference schematic. Can anyone help in understanding why it is used. Also attaching snippet of the same.
Thanks & Regards,
Vishnu V
Hello Vishnu,
In order to measure current we need to have two separate ground references separated by a sense resistor. The gauge i tied to battery ground, and the system is tied to PACK- which is the system ground. That way we can capture all passed charge.
Sincerely,
Wyatt Keller