This thread has been locked.

If you have a related question, please click the "Ask a related question" button in the top right corner. The newly created question will be automatically linked to this question.

TPS3808: (Inquire about circuits) 回路について問い合わせ

Part Number: TPS3808

いつもありがとうございます。(I am always grateful for your help) 

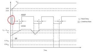
TPS3808G33DBVT(U33)  を使用した回路の出力  (output of circuit using) (ACOK_CON信号)は、予想外の0.7V〜0.8Vを出力します。この0.7V~0.8V出力は、後続の高パルス発生回路の誤動作の原因となります。

TPS3808G33DBVT(U33)を使用している回路に問題はありませんか?0.7V~0.8VのACOK_CON信号が発生しないようにしたい。


   TPS3808_P05.pdf     TPS3808_P19.pdf     

     20240213_waveform.xlsx     

(Thank you)

ありがとうございます。