This thread has been locked.

If you have a related question, please click the "Ask a related question" button in the top right corner. The newly created question will be automatically linked to this question.

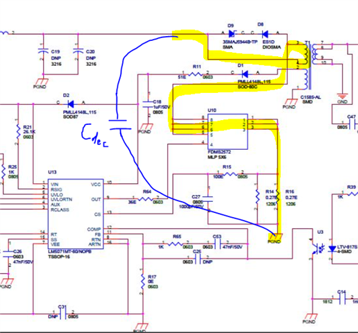
LM5071: LM5071

Part Number: LM5071

hi, 

We're using the LM5071 IC for our Power over Ethernet (PoE) application, adhering to the same application circuit diagram specified below (DATASHEET), customized for 5V and 2A. Despite this, we've encountered frequent IC failures, notably Vcc and Ground Pin shorts, as well as diode Z2 (SMAJ58A) failures. Additionally, we've experienced sporadic failures in the MOSFET and flyback transformer. We've exclusively used standard PoE switches. Is there a specific reason behind these recurring failures?