Hello,
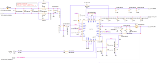
I have encountered a situation where during the normal operation, if an external power supply is connected to VBUS, and I disconnect my battery from the system, the charger chip is damaged.
It seems that there is a short circuit in the chip VBUS circuit (there is a sharp increase in the current and PSU voltage dropped, the charger gets hot).
When disconnecting the external PSU and reconnection the battery, I am able to read A/D battery voltage via TI CHARGER GUI, however once I reconnect the external PSU, the input short circuit remains and the chip is unusable.
(I think it also happened with the EVM PCB and I could not figure out what was going on due to the register complexity - i guessed I did some forbidden register operation)
Last week I was able to pinpoint the problem since I worked with my own PCB via TI CHARGER GUI for few days and chip behaved fine until i removed the battery while the PSU was connected.
The chip immediately got damaged as described above.
I could not find any restriction to do so (remove battery) on datasheet, please consult.
Many thanks,
Avi
