Part Number: TPS56837
Hi Team
I wanna know if the UV detection will enable after OCP is triggered?

This thread has been locked.
If you have a related question, please click the "Ask a related question" button in the top right corner. The newly created question will be automatically linked to this question.
Hi Harry,
UV detection is enabled after soft start ends. After OCP is triggered, the UV detection will also be enabled.
When the OCP is triggered, the inductor valley current is clamped and the inductor average current will also be clamped with certain on-time. The average inductor current will be smaller than output load current, so the output capacitor will be discharged and UVP will be triggered then.
Thanks,
Andrew
Hi Andrew
Thanks for your respond.
Customer did a test, the process is: connect low side feedback resistor to GND directly--they wanna trigger OVP, but because of Vin=14V, and Vout_set=12V, so even short R506, it doesn't trigger OVP. then output drop down because trigger system UV protection( External DSP control), and DSP disabled the TPS56837.
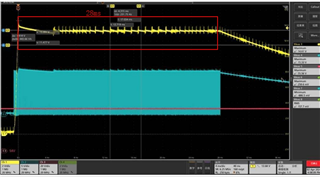
After a period disable time, then enable device again, they found it can works about 28ms then trigger protection shown as picture 2, the current is, SW Voltage shown as the picture 3.
Now the difficult point for me is I can't confirm which fault the device trigger, when they shorted R506, FB volt is 0V, so the duty changed to Maximum. their is not load, I don't see the inductor current is greater OCP point.
Do you ever test device's performance in this situation_ start up with FB connecting to GND, Can you help to check which fault was triggered in this situation.

Picture 1: schematic

Picture 2: re-start up

Picture 3: Current, SW
Thanks!
Hi Harry,
TPS56837 doesn't have Vout pin and all the voltage related fault protection are based on detected FB voltage.
During soft start, the output voltage isn't built. The UVP or OVP will only work when soft start ends.
So if you short FB to GND, during soft start, as the feedback is 0V, the IC will work at max duty but it will not shutdown as the UVP doesn't work. When soft start ends, the undervoltage protection works as the IC detects 0V FB after soft start. If the system control signal doesn't make EN low to actively shutdown TPS56837, after soft start end and an additional UV protection wait time, IC will shutdown due to UVP. For TPS56837, the output discharge function through SW discharge resistor will also work when triggering UVP. And it will try to restart after hiccup time - if no external EN disable signal turn off TPS56837.
Thanks,
Andrew
Thanks andrew
what's the UV waitting time of TPS56837. customer's ss time is 19ms
Hi Andrew
The SS capacitor is 220nf, based on the formula, the ss duration should be 22us, add 256us waiting time, should be about 22ms before UVP. But actually their tested result is 28ms, Can you help to check how about our EVM's performance?



Hi Harry,
Could you measure the time interval before first SW pulses and last SW pulses?
I would expect to be around 30ms. The SS end of TPS56837 is when Vss reaches 900mV. The SS time calculated with equation is when Vss reaches 600mV, as introduced in the power-up sequence on datasheet.
It is marked on datasheet that the time interval between Tss and SS end is 0.43xTss. 22ms x 1.43 = 31.716ms. Considering cap normally has +/- 20% variation range and our Iss current source also has variation, this time looks reasonable.

Vss will be pulled higher than Vref and the Vss voltage indicating SS end is set higher than Vref to avoid interference.
Thanks,
Andrew
Hi Harry,
As there's no further feedback, I'll close this thread at first. You could send me email any time if there is more question.
Thanks,
Andrew