Tool/software:
We are researching Bake conditon for TPSM82903SISR and refering to "AN-2029 Handling and Process Recommendations"
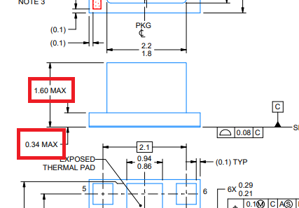
How should we consider Package Body Thickness of TPSM82903SISR ?
Structure of TPSM82903SISR is complex.
When we are considering Package Body Thickness, we are not sure whether or not to include an inductor.



