This thread has been locked.

If you have a related question, please click the "Ask a related question" button in the top right corner. The newly created question will be automatically linked to this question.

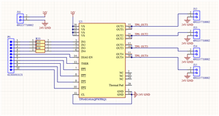
TPS4H160-Q1: TPS4H160BQPWPRQ1 application circuit

Part Number: TPS4H160-Q1
Other Parts Discussed in Thread: TPS274160

Tool/software:

Hi TI Team,

I want to use TPS4H160-Q1 as high side switch. There are two version provided by Texas instruments. I am using version IC.  I will use these IC as high side switch to turn on solenoid valves for 100ms duration. The peak current is 0.4 Ampere for the valve. current is limited by the valve resistance. In the datasheet application note I don't see any design reference for the A version of the IC. If someone can provide design reference for the A version, it will be helpful.

Below are my design considerations.

-No  current limit is required from application perspective. Hence, I will be connecting the CL pin directly to the GND Pin of the IC.

-We don't want to use the fault and diagnostic pin. So we will keep it floating. We want the system to be simple and consume less pins.

-We have calculated the energy stored and demagnetization energy of the coil of the valve and demagnetization time. The IC can comfortably dissipate the energy in the FET. Still we have added on flyback diode with Zener in series as an extra protection on the terminal of the solenoid valve.

We are just  using IN1,....IN4 to turn on the respective OUT channel. 

Supply Voltage is 24 V

Peak current is 0.4 A.

Please let  me know if the re are any design reference for the A version. Also let me know if I can keep the FAULT, THERMAL, DIAGNOSTIC pins floating. 

Thanks & Regards

Sudesh

  • Sudesh,

    The TPS4H160-Q1 is made for nominal 12V automotive applications. The TPS274160 is made for 24V industrial applications and might be better suited for your application (it is essentially the same device with different specifications). Your VDS clamping calculations would apply to the TPS274160.

    All of the digital pins have internal pull-downs so you can keep those floating if you want.

    For EMI considerations ( if that's a concern), the recommended bypass capacitors would be:

    You can connect them to the same ground as you do not have a ground network.

    Make sure you connect thermal pad to ground as this is used for heat disipation.

    Best Regards,
    Tim