Tool/software:
Hi team,
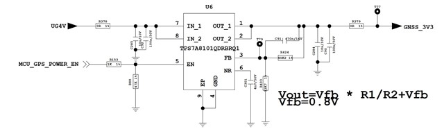
We found an abnormal phenomenon on TPS7A8101-Q1. Below is the output waveform under room temperature. CH2 is the output of TPS7A8101-Q1. We can see that the voltage is rising smoothly at start-up.

After customer perform the high and low temp test on TPS7A8101-Q1, we found that the start-up curve on output get abnormal, see below. Even we leave the DUT under room temp several days, we can also get same phenomenon on output.

Any suggestions to debug?
Thanks!
Ethan Wen







