This thread has been locked.

If you have a related question, please click the "Ask a related question" button in the top right corner. The newly created question will be automatically linked to this question.

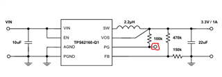
TPS62160-Q1: TPS62160-Q1 inquiry

Part Number: TPS62160-Q1

Tool/software:

Hello! 
I'm  using TPS62160-Q1 in one of my boards to generate a 5V output from 12V input. I've built the circuit to look like this one in the datasheet, changing the values of inductor and FB resistors to match the application requirements. while testing  I've noticed a weird thing the voltage at the pin after the pull up resistor ( marked in red ) was 3.5V and not 5V ! I'm using 100k as a pull up resistor.
could you help explaining why such a thing could happen ?
Thanks in advance