Tool/software:
Hi team,
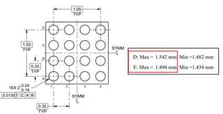
Customer found the body size in D/S is different: , one is 1.57 mm × 1.52 mm, one is 1.542 mm * 1.482 mm. Please let us know which should we refer to, thank you.
Charles
This thread has been locked.
If you have a related question, please click the "Ask a related question" button in the top right corner. The newly created question will be automatically linked to this question.
Tool/software:
Hi team,
Customer found the body size in D/S is different: , one is 1.57 mm × 1.52 mm, one is 1.542 mm * 1.482 mm. Please let us know which should we refer to, thank you.
Charles
Hi Lei,
OK, seems it is larger than the value below, may I know why there is such difference?
Thanks, Charles
Hi Charles,
Sorry I don't know how the difference comes.
Please refer to the following correct size of D and E.
|
Min - µm |
Typ - µm |
Max - µm |
E |
1484 |
1504 |
1524 |
D |
1532 |
1552 |
1572 |
And I've submitted the request to correct the ePOD.
Regards
Lei