Tool/software:
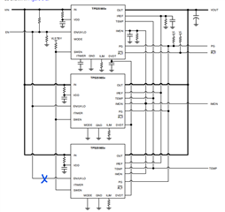
Incase of multiple efuse configuration,
would like to test the case of one less efuse scenario (making 3 efuse to 2efuse case), removed EN of 3rd efuse - but the output voltage is not coming.
when i tied the EN of 3rd one back, the output voltage is coming.
Is there anything need to be done for disconnecting only one efuse apart from EN ?
