Tool/software:
Hello,
Question 1)
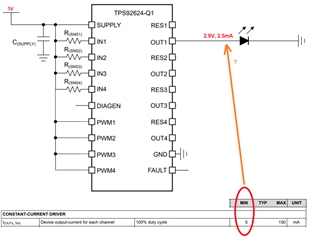
I will supply the Supply pin of the TPS92624-Q1 IC with 5V, I want to use 3 channels in the circuit to drive 9.4mA LEDs (1 LED connected to each output Vled:2.1V)
I want to use the remaining 1 channel to drive a 19.2mA LED (1 LED at output, Vled: 3.5V)
I put a representative schematic below.
In this way, can I use it to drive LEDs with 2 different current values? (Q1.2==> Does it change the answer to my question whether or not to use Rres1, Rres2, Rres3, Rres4?)

Question 2)
I don't plan to use C(OUT1), C(OUT2), C(OUT3), C(OUT4), what kind of problems will I have if I don't use them? What is the advantage of using these capacitors?
Question 3)
If Rres1, Rres2, Rres3, Rres4 are used in the circuit design, will the driving currents of the LEDs change when I increase the supply voltage from 12V to 24V? What I really want to learn is that I want to drive the LEDs with constant current and I don't want it to be affected by the voltage change on the Vsupply pin, is this possible?
