This thread has been locked.

If you have a related question, please click the "Ask a related question" button in the top right corner. The newly created question will be automatically linked to this question.

LM3488QMM/NOPB

Part Number: LM3488
Other Parts Discussed in Thread: LM3481

Tool/software:

Hello everyone
         I have a question about the LM3488 overvoltage protection, as shown below (LM3488QMM/NOPB datasheet p6):

        For a single chip itself, does the 25-85mV change due to the influence of temperature, or is the value of a single chip fixed and not affected by temperature?

        If it is related to temperature, does it increase or decrease with increasing temperature?

Looking forward to your reply, thanks!

  • Hi Hui,

    Thanks for using the e2e forum.
    The same question got ask recently:
    https://e2e.ti.com/support/power-management-group/power-management/f/power-management-forum/1427924/lm3488q-q1-whether-vocp-will-change-by-temperature

    Please let me know if this response is sufficient, or if there are additional questions on this.

    Best regards,
    Niklas

  • Hello Niklas

             Thanks for your reply. Now we have found in actual tests that the value Vovp decreases with the increase of temperature, which may be different from our understanding of the datasheet. Do you have any research on this, or have any research on similar products? Can you recommend them to us?

    Best regards!

    Hui

  • Hi Hui,

    Thanks for running some tests and sharing the result.
    Unfortunately, I have no test data or reference material that confirms or explains why Vovp decreases with higher temperature.
    I found some internal temperature test data for Vovp on a similar boost controller (LM3481). Here the distribution of measurement points showed that temperature has no notable impact on tis value.
    In summary, I can neither confirm nor deny the dependency of Vovp on temperature.

    Best regards,
    Niklas

  • Hello Niklas
    Thank you very much for your reply. Can you please ask the developer or datasheet spec writer of LM3488?

    Best regards!

    Hui

  • Hello Hui,

    I got feedback from our lead designer for this device.
    It is still not easy to explain why you see Vovp decrease with increase of temperature.
    Based on the internal circuit, there are no components which lead to a lower Vcomp threshold due to temperature change. Compared for example to the Vocp threshold, this value consistently increases with temperature rise as the internal components create high delays at high temp, which increases the threshold as seen in the datasheet.
    For Vovp, no similar circuit is in place, so it could be possible that another unit would show different test results.

    Can you say how many units have been tested for Vovp drift?

    Thanks and best regards,
    Niklas

  • Hello Niklas
    Thanks for your reply. Now, we have only used this chip in the SEPIC circuit, so the test results are only around this circuit.

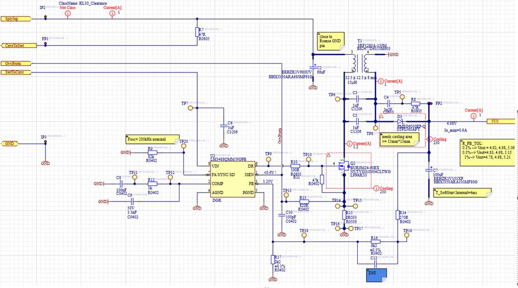
    You can refer to the circuit in the figure.

    You can see that the peak value of the 5V output at room temperature(5.175V) is higher than that at 105℃(5.15V), but the protection is not triggered to shut down the MOS.

    Best regards!

    Hui

  • Hi Hui,

    Thanks for explaining the test setup.
    So if I understand correctly, the main issue is that the device stops switching after an overshoot at high temperature, while it keeps switching under room temperature conditions?

    This might be avoided by adjusting the compensation. If the loop compensation is designed faster, it may compensate the load step with a smaller overshoot at Vout, hence continuing to switch stable under all temperature conditions.

    I can also suggest values for the compensation. For this I would need VIN, VOUT, max load and inductance of the application, and it would also be helpful to attach the schematic in higher resolution, so it is easier to read the component values.

    Best regards,
    Niklas

  • Hello Niklas

    Yes, but you can see that with the same circuit parameters, at room temperature, Vout overshoots to 5.17V and does not stop switching, but at high temperature, Vout overshoots to 5.15V and stops switching.

    I tried uploading a clearer picture but it seems to be compressed,So let me tell you the relevant parameters first:

    VIN=6v~24v(Tested with 13,5V), VOUT=4.92~5.06V, max load=0.9A and inductanceL1=L2=15uH

    Best regards!

    Hui

  • Hi Hui,

    Please expect a reply on Monday due to public holidays in Germany.

    Best Regards,

    Feng

  • Hello Hui,

    Thanks for providing all the details.
    I recalculated the compensation and reviewed the design.
    The compensation values are already well designed. Power stage looks okay as well.

    The only comment I can give is that there is only one 100uF aluminium cap on the output side.
    To reduce noise on the output, we recommend to add additional low ESR ceramic caps close to the output diode to reduce switching ripple noise.

    However, I cannot guarantee this will avoid the overshoot issue you face at high temperature.
    As this behavior is still within the device specification, it is possible to can occur only one some units while others might perform fine, so I though by improving the full design to reduce overshoots, the problem will be solved for all devices.
    If the application is already well design, this switching stop may not be avoided at high temperature if load transients with this slew rate are expected.

    Best regards,
    Niklas