This thread has been locked.

If you have a related question, please click the "Ask a related question" button in the top right corner. The newly created question will be automatically linked to this question.

LM5069: Part Recommendation for system protection

Part Number: LM5069
Other Parts Discussed in Thread: LM5060, TPS1663

Tool/software:

Hello, experts,

I am looking to implement a power protection circuit with Over Voltage Protection (OVP) and Under Voltage Protection (UVP) functions.

I have reviewed the datasheets of ICs such as the LM5060 and LM5069, but I am unsure if these are the most appropriate options.

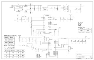
Below is a diagram of the circuit I am designing.

Please recommend a suitable protection IC for the position indicated by the red dotted box.

The power conditions of the system are as follows:

  • Input voltage range: 15V ~ 50V
  • Normal input voltage: 24V
  • Maximum system current consumption: 5A

Based on these power conditions, I would appreciate it if you could recommend an IC that can effectively protect the system circuit.

Thank you, and have a great day!

4o