This thread has been locked.

If you have a related question, please click the "Ask a related question" button in the top right corner. The newly created question will be automatically linked to this question.

TUSB542: Clarification on Datasheet Layout Guidelines

Part Number: TUSB542

Tool/software:

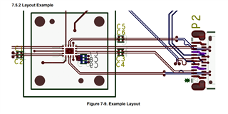
I have a misunderstanding regarding your suggestion to "route all differential pairs on the same layer." In the example layout, I noticed that half of the SS lines are routed on a different layer, even though it is possible to keep them on the top layer by swapping the polarity. Is there a specific reason for this design choice?

I would appreciate your clarification.