This thread has been locked.

If you have a related question, please click the "Ask a related question" button in the top right corner. The newly created question will be automatically linked to this question.

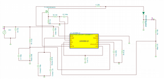
LM34966-Q1: Suggestion

Part Number: LM34966-Q1

Tool/software:

Hi Team,

I am trying to simulate the circuit, but I am unable to get the expected results.

Requirement: 20 to 27V (Input) to 24V/2.7A (Output).

Another question: Can I provide the same input as AC voltage?

I have attached the reference image and the TINA simulation file with the form. Kindly get back to me.

 AC to DC.TSC