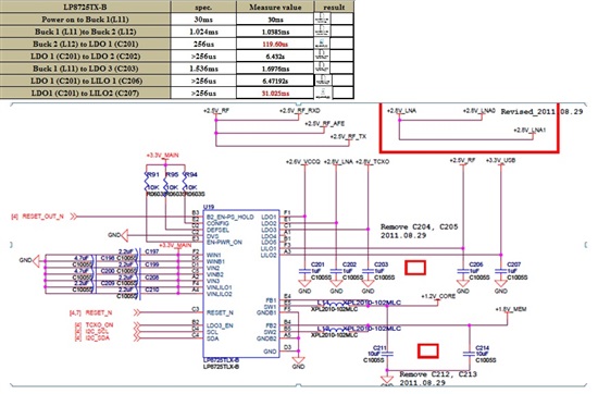
1) Buck 2 to LDO 1 about 119.60us is smaller than SPEC.
2) LDO1 to LILO2 is no in SPEC, LILO2 is earily LDO1 31.025ms
Measure value
This thread has been locked.
If you have a related question, please click the "Ask a related question" button in the top right corner. The newly created question will be automatically linked to this question.
1) Buck 2 to LDO 1 about 119.60us is smaller than SPEC.
2) LDO1 to LILO2 is no in SPEC, LILO2 is earily LDO1 31.025ms
Measure value