Other Parts Discussed in Thread: TPS548B23
Tool/software:
Hi TI team,
When testing the TPS548B23 EVM, I have the following two questions. We replaced the Lout on the EVM with 0.82µH, set the switching frequency (Fsw) to 600kHz, and Vout setting to 3.3V.
- Regarding the definition of Soft Start (SS) time, is it measured from 10% to 90% of Vout or from 0% to 100% ?
Currently, we found that when measuring SS time set to 2ms, if Vout is rising from 0% to 100%, the measured time is 2.799ms (pic1), which exceeds the specified SS time range (1.4ms~2.6ms).
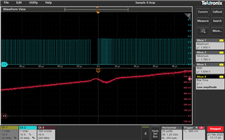
- When measuring the output during turn-on with a 16A load, we observed a glitch in Vout during its ramp-up (pic2).
Further investigation showed that this is related to a missing switching pulse on SW during Vout ramp-up (pic3).
Could you help identify the possible cause of this issue?
Pic1.
Ch1:Vout
Vout:3.3V , Iout:0A.

Pic2.
Ch1:Vout
Vout:3.3V , Iout:16A.

Pic3.(Zoom in glitch)
Ch2:SW , Ch3:Vout
Vout:3.3V , Iout:16A.

I hope you can help clarify my doubts. Thank you!