Hi,
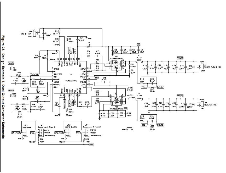
I am using TPS40322EVM-679 evaluation board to generate1.0V and 1.5V output with 12.0V input voltage. I changed R14 to 30kohm(1%) and R25 to 13.3kohm(1%). Then I measured ripple for Vout1 and Vout2 with no loads. I put the probes on the probe pins for Vout1 and Vout2 on the board. I expected to have much smaller output ripples, but as you can see in my pictures, the amplitude of ripple is around 140mV. I am wondering if what I am getting is normal or I am doing something wrong. I don't have a probe with metal ground barrel, so I just used regular probe with grounding wire. Your reply would be appreciated.
Peter

