This thread has been locked.

If you have a related question, please click the "Ask a related question" button in the top right corner. The newly created question will be automatically linked to this question.

TPS23755: Flyback primary feedback AUX_D problem

Part Number: TPS23755

Tool/software:

Hi Team,

How to connect the AUX_D pin when designing a flyback primary feedback circuit using TPS23755?

  • Hi Allen,

    Thanks for reaching out!

    We will look into your questions and get back to you in 3-7 business days.

    Best regards,

    Diang

  • Hi Allen,

    Thanks for your patience. 

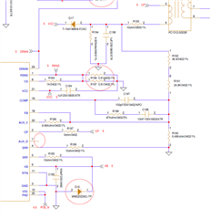
    In a power oring structure, the AUX_V and AUX_D are used to lower the PoE's output voltage, to let an auxiliary power supply on the 2nd side have a higher priority than PoE. 

    If you have 2nd side adapter and want to use these two pins, you can refer TPS23755EVM (https://www.ti.com/tool/TPS23755EVM-894) schematic.

    If you do not have 2nd side adapter, you can set AUX_V and AUX-D as open. And make sure the resistance at FB is updated, e.g. R190 resistance = R190 and R188 in parallel. 

     

    Best regards,

    Diang