This thread has been locked.

If you have a related question, please click the "Ask a related question" button in the top right corner. The newly created question will be automatically linked to this question.

BQ79600-Q1: Y capacitor at COMxP & COMxN

Part Number: BQ79600-Q1

Tool/software:

Hi expert,

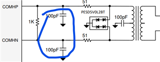
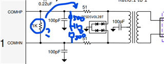
1. What's the recommended capacitor value for the common mode filter capacitor? Noticed in datasheet and EVM chosen as 100pF, is it still ok for using 220pF? What's the design tips here?

2. Why on datasheet there's simply an 1k resistor across P&N wire but in EVM it's separated into 2*499R resistors plus 1 10nF capacitor to GND (but the capacitor didn't connect)? Is it ok if I only use below connection with 2*510R resistors+ 10nF capacitor to GND, like the EVM does? Whta's the design tip here?

  

And why didn't the EVM placed the 10nF for default?

Joyce

  • Hi Joyce,

    For question 1,

    It is ok to use 220pF. It depends on the system level to pass the EMC test. Higher capacitor can have a better filter for the signal but inverse will have a slow rate of singal to go high or low.  In a word, all signal should meet the Daisy-chain communication signal quality criteria.

    For question 2,

    Use 2*510R resistors+ 10nF capacitor to GND is ok. It supply an option for customer if they don't need the capacitor. Our EVM also have this option