This thread has been locked.

If you have a related question, please click the "Ask a related question" button in the top right corner. The newly created question will be automatically linked to this question.

LM5123-Q1: Not switching, output same as input

Part Number: LM5123-Q1

Tool/software:

Hi Texas,

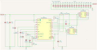
I have a boost regulator circuit designed by WEBENCH POWER DESIGNER for LM5123-Q1. It should boost from 6-8V on input to 12V on output. However in my case it seems like it is not switching at all. The output is similar to input with roughly 0.5V voltage drop (without load). By increasing load, the voltage drops more. The schematic is attached bellow. The C23 Soft-Start capacitor is replaced with 220nF capacitor. 

What could cause or help to identify the issue?

Best Regards 

Krystof Vydra