This thread has been locked.

If you have a related question, please click the "Ask a related question" button in the top right corner. The newly created question will be automatically linked to this question.

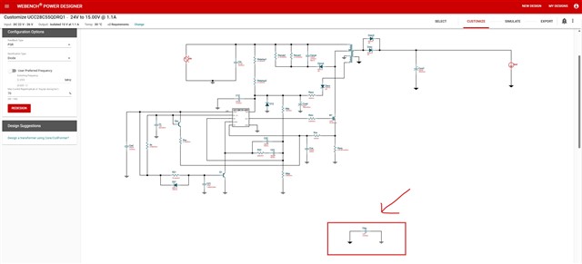
UCC28C55-Q1: Isolation Capacitor (Ciso) Purpose in PSR isolated dc dc Flyback Converter

Part Number: UCC28C55-Q1

Tool/software:

Hi Team,

I am designing an isolated DC-DC flyback converter using the UCC28C55-Q1 IC (schematics attached). The Webench Power Designer suggests including an isolation capacitor between the primary and secondary grounds, but I couldn't find specific details about its role.

Could you kindly clarify the following:

  1. How does this isolation capacitor affect the overall isolation between the primary and secondary sides? For example, if I use a transformer rated for 5kV but the capacitor is only 2kV, does this compromise isolation integrity?

  2. What impact would omitting this capacitor have on electromagnetic interference (EMI) performance?

Any information or resources on this subject would be greatly appreciated.

Best regards,

  • Hi,

    That capacitor is called Y-cap to help provide a path to flow common mode noise to help reduce common mode noise present on input and output.

    A large value of that capacitor helps better to reduce common mode noise but would have higher leakage current which is a specs to observe - so cannot be arbitrary large.

    A small value will have a large impedance to the common mode noise, so less effective to reduce common mode noise.

    Common mode noise most effect is EMI spectrum as common mode noise can fail the EMI test.  

  • Hi Hong,

    Thank you for your response. But my question stands regarding the impact of omitting this capacitor on the design of the converter. I want to rely on the isolation of my transformer only. This capacitor compromises that isolation barrier. If i don't use this capacitor, will it impact the working of my converter? 

  • Hi,

    Your question is answered in my message. If you remove this capacitor, common mode noise has no this path to flow then common mode noise flows through parasitic paths such as transformer winding capacitance and layout parasitic capacitance. Then the effect is to EMI - which you need to find other ways to deal with.