Tool/software:
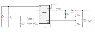
Customer would like to use TPS54531 for Vin=12V, Vout=7V/3A. The inductor they used was 15uH.
Could you please help calculate the compensation component values for them?
This thread has been locked.
If you have a related question, please click the "Ask a related question" button in the top right corner. The newly created question will be automatically linked to this question.
Hi Aki Li,
You can use webench tool to calculate the component values:
https://webench.ti.com/power-designer/switching-regulator?powerSupply=0
For your application, you can use these components: