Other Parts Discussed in Thread: TUSB321, , HD3SS3212, HD3SS3220, TUSB1044, TUSB544, TUSB211A
Tool/software:
Good Afternoon,
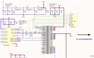
We made a board based on the design of the TUSB542 Evaluation Module, with the difference that we couldn't fit an USB type B so we replaced it by a USBC (the cable being USB3 A to C).
But the high speed (USB3) doesn't work, there is no signal on the RX_AP and TX_AP, only on the USB2 (D line) that is connected directly.
Upon further inspection I noticed that my RX_AP and TX_AP are swapped (because I followed the pin names, not number, and didn't realize they were different from the TUSB542 datasheet). Another difference is the resistor for the TUSB321 Current Mode, that instead of the original 10k I made it 200k, but this should only decrease the current, not the functionality.
We modified a cable to swapped RX and TX (easier than modifying the PCB while maintaining a good impedance match), but it didn't work.
Any idea on what the problem may be?
We also checked the voltage suppliers and they are ok.
Thanks,
Camila
PS: The TX1 on the eval board are connected with the opposite polarity, but it shouldn't make a difference.






