Tool/software:
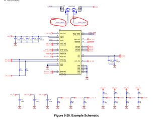
I am trying to build a power input for my board using the TPS25730D.
I would like to turn the output of the TPS2530D on/off by toggling the slide switch on/off.
Can I turn the output of the PPHV on/off by setting any terminal of the TPS25730D to High/Low?

