This thread has been locked.

If you have a related question, please click the "Ask a related question" button in the top right corner. The newly created question will be automatically linked to this question.

BQ25798: 9.3.6 Buck-Boost Converter Operation: SYS to MINSYS (mode 1)

Part Number: BQ25798

Tool/software:

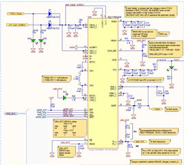
Hi, I am using the BQ25798 in this schematic:

The charge is by default always enabled (CE/ tied to low).

I wanted to know if it was possible to still have SYS regulated to MINSYS as per described in 1) of: when I don't have battery nor thermistor.

Is it possible or do I have to drive HIGH CE/ ?

Best