Tool/software:
Hi
I have attached the schematic of the IC.
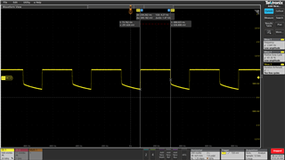
When the load is in reset, it is able to generate 1V but as soon as load comes out of reset the output voltage keeps fluctuating and not stabilizing at 1V.
My load is taking 4A of current.
Layout seems to be same as suggested in the datasheet.
Kindly give suggestions to solve the problem.


