This thread has been locked.

If you have a related question, please click the "Ask a related question" button in the top right corner. The newly created question will be automatically linked to this question.

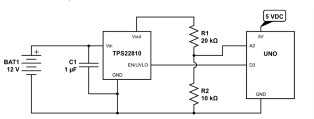
TPS22810: Switch between batter and ADC

Part Number: TPS22810

Tool/software:

Hello,

I have found a picture online where a TPS22810 is used to source a voltage divider only when the battery voltage measurement is needed to reduce power consumption. My micro is 3.3V powered and the battery can reach 12V.

Is the TPS22810 the best solution or could you suggest something different? I have 4 channels to monitor.

Best regards,

Riccardo Stragà