Tool/software:
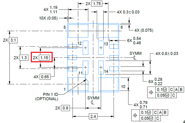
It appears that the land pattern example on p32 of the datasheet for the SIE package does not match the pin locations for pins 11-14. Both the pad and mask are 0.8mm long but the center of the pin is at a vertical offset of 1.15/2 = 0.575mm and the center of the mask opening is at a vertical offset of 0.625mm. The footprint from Ultralibrarian has the mask openings at the same offset as the pins (0.575mm). Is the 0.625mm dimension in the land pattern figure a typo (in both places where it is shown)? Is this an intentional offset (seems unlikely)?
Thank you -Jason


