This thread has been locked.

If you have a related question, please click the "Ask a related question" button in the top right corner. The newly created question will be automatically linked to this question.

LM74610-Q1: Clarification about driving MOSFET and output cap?

Part Number: LM74610-Q1
Other Parts Discussed in Thread: TPS63900

Tool/software:

Team,

Can you please help with the below question:

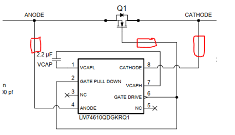
We would like to use LM74610 to periodically conduct the MOSFET and charge a capacitor. This circuit will be used to control the current flowing at the input of a TI TPS63900.
-Is it possible to add the below resistors (at least 220 Ohms, for protection reasons to comply to some specific requirements)?
-What would be the impact if we use a 1000uF cap with 3.6V at the output?
-Do you have additional suggestions or comments regarding this implementation?

Thanks in advance,

Anber