This thread has been locked.

If you have a related question, please click the "Ask a related question" button in the top right corner. The newly created question will be automatically linked to this question.

BQ24600: Battery Charger Skipping Constant Current Charge Cycle

Part Number: BQ24600
Other Parts Discussed in Thread: BQ27426

Tool/software:

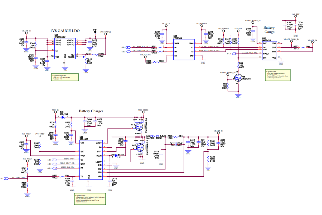
I am trying to use the BQ24600 to charge a 3.7Vnom, 7000 mAh Lithium Polymer battery at 3.5 A. Below is a screenshot of my schematic setup, where VBATT_CONN_IN connects to the main battery terminal and VDC_IN connects to our 12V DC power supply.


I am using the BQ27426 to monitor battery charge and report this information back to an STM32 for capacity tracking.


The below graph was created using data from the in-line BQ27426 fuel gauge. It shows three full charge cycles and two discharge cycles of the battery, with the charging starting at time 0, 650, and 1300


It seems to me that as soon as we plug in DC power, the BQ24600 jumps straight into outputting 4.2V and enters the voltage regulation phase, skipping the current regulation phase. The drop off in current we see very closely matches the expected current draw of this mode as shown in Figure 5 of the device datasheet.


Can you help me to figure out why this is happening? I have tried bypassing the 10mOhm resistor being used by the BQ27426 fuel gauge to see if it needed a more direct connection to the battery and this did not solve the issue.

Thanks