Tool/software:
Dear Support Team,
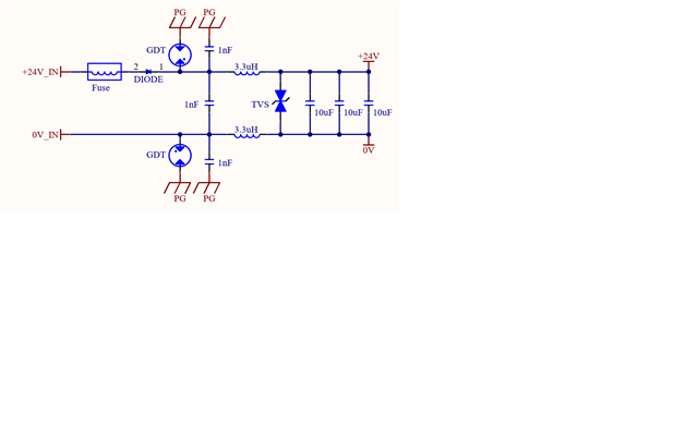
We are currently working on a design using two pieces of LMQ644A2-Q1(4-phase) for generating 1.8V@24A conversion from 24V。There are lots of RF beamformer ICS supplied by the DCDC circuits. The output current increased as we increase the RF iput power, but when the DCDC ouput current increases to 12A and above, we see some spurious of the output spectrum,they have the following characteristics.
1、About 20MHz、40MHz、80MHz away from the main signal, both upper sideband and lower sideband.
2、The frequency away from the main signal slight changes with the increase of current.
3、The amplitude of spurious decrease rapidly when we reduce the input power.
4、Modifying the switch frequency does not affect the spurious frequency away from the main signal.
Have you seen this before? How to remove the spurious?
We appreciate your prompt response and technical guidance,thanks.
Cheng
/resized-image/__size/640x480/__key/communityserver-discussions-components-files/196/spurious.png

