This thread has been locked.

If you have a related question, please click the "Ask a related question" button in the top right corner. The newly created question will be automatically linked to this question.

LM25143-Q1: The load is 20A. After the power is cut off, the output drops and then rises sharply. What is going on?

Part Number: LM25143-Q1
Other Parts Discussed in Thread: LM25143

Tool/software:

The load is 20A. After the power is cut off, the output drops and then rises sharply. What is going on?CH1 is the output and CH2 is the enable pin.

  • Hello Peigen,

    Thanks for the query.

    The above phenomena can occur due to UVLO limit. The following diagram is referred to explain the phenomena.

    The Voltage appearing at the input pin of the IC is effectively, (Vs - Iin*Rs).

    When the Enable goes low, both the Vs and Iin starts decreasing and the Vin pin voltage starts falling.

    As Vin pin falls, Vout falls too.

    The point at which Vin goes below (Vin)'s UVLO limit, the Iin suddenly falls to zero.

    This causes the Iin*Rs loss to become zero and hence, the Vin pin voltage can go above the UVLO limit once more which causes the IC to try to restart and try to bring up Vout voltage level once more.

    This causes the sharp rise in Vout you observed.

    But this does not persist long as again IR loss brings the Vin pin below the UVLO level, and the leftover energy left on the input side is completely used up finally shutting down the IC.

    Hope this clarifies your doubt.

    I am also attaching an application note explaining the same. You can refer to the section 3 about 'Hysteresis and UVLO Bouncing'.

    slva769a.pdf

    Also below is the datasheet's snap specifying the same.



    Thanks and Regards, 
    Sourish Nandy.

  • Hi Sourish,

    Do you have any suggestions for improvement? We are worried that the appearance of this spike will cause abnormalities in the downstream load under continuous switching conditions.

  • Hi Peigen,

    Can you send the schematic for which you measured this output? Also, did you measure the Enable waveform at the enable pin itself? For improving for UVLO bouncing you can use a supply with less impedance.

    Thanks and Regards,
    Sourish Nandy.

  • Hi Sourish,

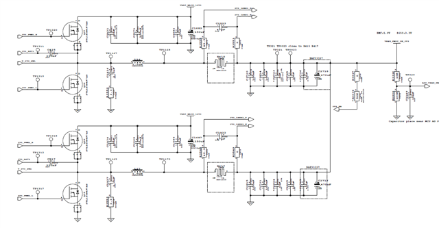
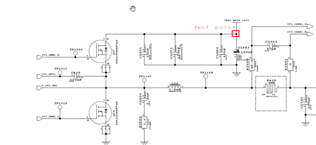
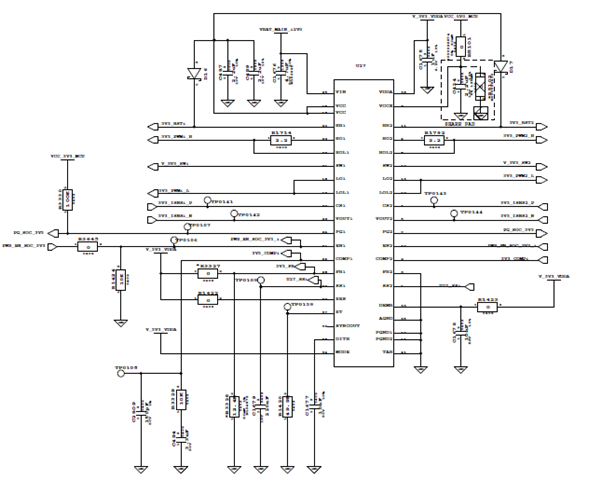
    In the previous figure, CH2 is the waveform of enable pin, the sch is in below

  • Hi Peigen,

    Can you capture the output along with your input profile? This can help us better understand if this case is of UVLO bouncing.

    Thanks and Regards,

    Sourish Nandy.

  • Hello Peigen,

    One solution is connecting the Enable pin with Vin supply using a resistor ladder and making use of the Enable pin thresholds to control the startup and shutdown of the IC.

    Thanks and Regards,

    Sourish Nandy.

  • Hi Sourish,

    This is the input and output waveform when the load is 20A and I turn off the power supply instantly.

    CH1 is the input power, and the CH2 is the output voltage

  • Hi Sourish,

    We hope to use our MCU to control the enable pin of the LM25143, I think the resistor ladder might not meet our requirement.

  • Hi Peigen,

    Looking at the waveforms it is clear that the cause of the output turning on is the VIN voltage bouncing so much and crossing the internal UVLO limit of the VIN pin.

    Can you confirm that where are you measuring the VIN? ( At the Device Pin or before the input EMI filters/capacitors?

    One thing you can do is add a large electrolytic capacitor of value 47uF or more at VIN pin and see if it helps.

    Also, is it possible to do an AND of EN resistive ladder and MCU Enable?

    Thanks and Regards,

    Sourish Nandy.

  • Hi Sourish,

    I measured the VIN in the input capacitor pin of the mosfet. We have already have a 150uF capacitor in the VIN pin, so I think it's enough.

    I will try to use a EN resistive ladder to test the Vout.

  • Hi Peigen,

    Please use the resistive ladder at the EN and see if it improves the behavior. Till then let me look for other solutions.

    Thanks and Regards,

    Sourish Nandy.

  • Yes, and I have tried to add the input cap, I added four 22uF input capacitors, but the final result did not change. This is the output waveform:

  • Hello Peigen,

    As you already mentioned 150uF capacitor on the input side so adding these extra caps wouldn't make much difference. Can you use the resistive ladder and see the results?

    Thanks and Regards,

    Sourish Nandy.

  • The problem is solved. I connected the enable pin directly to VIN with a voltage divider resistor. The output will not have a spike when the load is powered off. This is the measured waveform.

    Do you have any recommended control circuits? Like you said before, use an AND gate for control.

  • Hi Sourish,

    I would like to ask why this problem can be solved in this way, and how does the enable pin affect the voltage after power failure?

  • Hi Peigen,

    The problem that was happening before was as you could refer to the first set of waveforms that you sent the Enable pin was over its upper threshold for some time even if the Vin power supply was being cut off.

    Due to very less hysteresis being present on the VIN pin, the IC would try to restart whenever the voltage at VIN pin was crossing its threshold. (As the EN pin was still high)

    Using the resistive ladder what we did was we power the Enable pin with the VIN supply itself, hence the voltage at enable is a direct function of VIN supply.

    So, whenever the VIN supply was cut off, the Enable pin will signal output to shut down once voltage at Enable pin goes below 0.4V.

    Once shut down, the Enable will signal the IC to startup only when it crosses 2V at the enable pin again. 

    But the bouncing in the VIN supply is not enough for the voltage at Enable pin to reach 2V and hence the output never rises again once turned off.

    You can refer to the below part from datasheet for the Enable thresholds.

    For control circuit part, as you said that you want to control the Enable pin with your MCU, so it will be good if you use an AND gate logic with the MCU as one input and the resistive ladder's output as the other. 

    I will get back to you if I get any better control circuit but the above seems to be the simplest.

    Hope this clarifies your query.

    Thanks and Regards,

    Sourish Nandy.