LM25143: Design wanna to achieve Vout = 0.88V and Iout = 70A

Part Number: LM25143
Other Parts Discussed in Thread: LM5143

Tool/software:

Dear TI master,

by the quickstart excel, have made the 2-phases single output

Fsw = 410kHz, crossover freq = 41kHz

Inductor = 0.22 uH

Rshunt = 0.002 ohm

FET = NVMFS5H663NTT1G and NVMS5C628NLT1G

but the output result current not enought as designed

the below listed the Vin and Iout limited, when loading over this current, Vout <=0.871

Hiccup mode enabled

(V) Voltage (A) Current Limit (Vout >0.871)
12 32
16 25
20 19
24 13

 Hiccup mode disabled

(V) Voltage (A) Current Limit (Vout >0.871) (A) Max. Current (V) Vout @ Max. Current
12 41 42.3 0.798
16 36 38.1 0.707
20 29 33.7 0.62
24 14 33.2 0.608

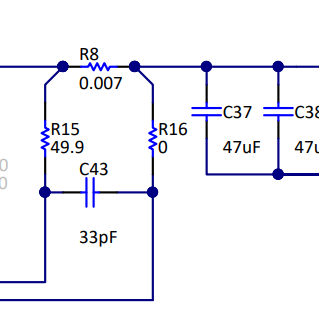
Attached my schematic for reference

Any problem affected the current can't to achieve to >60ANIRHD4PEVB-2_SCH_20250822.pdf