UCC28600: OVP Issue

Part Number: UCC28600

Tool/software:

Hi Team,

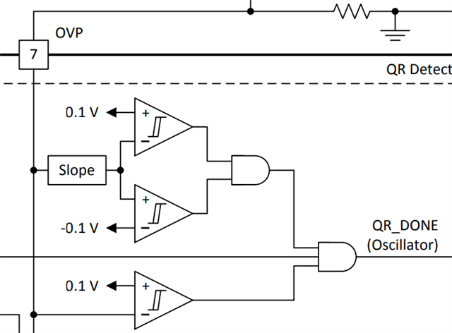
Customer use UCC28600 with OVP issue. Could you please help explain the internal slope and ±0.1V function in detail?

  1. How to achieve the Slope sensing? What's the internal circuit?
  2. This 0.1V means 0.1V/us or 0.1V/ms?
  3. Whether OVP can directly connect with GND?

Thanks in advance!

BRs,

Francis

  • Hello,

     

    1. The slope sensing on the OVP pin is actually used for zero current detection.  It determines zero current in the transformer after the transformer has demagnetized.  The slope is used to predict the valley of the resonant ring.  It is proprietary so the internal circuity cannot be shared.
    2. This is based on the resonant ring and can vary based on transformer magnetizing inductance.
    3. The OVP cannot be grounded.
    4. You most likely have false OVP tripping due to aux winding noise. This can generally be corrected with snubbing across the output rectifier and using an RCD clamp.  The following linki will bring you to an application note that shows how to setup a snubber and RCD clamp to remove false OVP tripping.  https://www.ti.com/lit/pdf/sluaac5

     

    Regards,