TPSM8D6B24: [TPSM8D6B24] Interconnection for AGND_A and AGND_B

Part Number: TPSM8D6B24

Tool/software:

Hi Team,

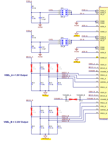
I have a question regarding the connection between AGND_A (pin 21), AGND_B (pin 27) and Thermal PAD (PGND).


According to the TPSM8D6B24 datasheet, AGND_A (pin 21) and AGND_B (pin 27) should be connected to the thermal pad (pins 52, 54, 57, and 59), and thermal pad should in turn be connected to PGND.

 

However, based on the schematic and layout, it seems that neither AGND_A (pin 21) not AGND_B (pin 27) is connected to the thermal pad (PGND)

 

 

Could you please let me know how to design the AGND_A and AGND_B?

Thanks, 
Jerry Shen