Tool/software:
Hi team,
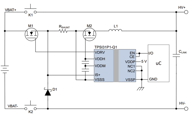
Customer is evaluating the TPSI31P1-Q1 and are preparing to use it in 1000V platforms.
Compared with the traditional pre-charge solution using resistor, the overall price of the customer's current active pre-charge solution is relatively high, which is not conducive to our promotion of TPSI31P1-Q1. Could you please recommend a relatively cheaper active pre-charge solution based on the following picture? Including but not limited to M1 and M2, Rshunt, L1 and D1.
The customer's pre-charge requirements are as follows:
Link capacitance: 943.71uF±10%
Pre-charge time: 200ms
Battery voltage: 1000V
Peak inductor current: < 15.4A

Thank you for your support.
Best Regards,
Jade Lan