Tool/software:
Hi expert,
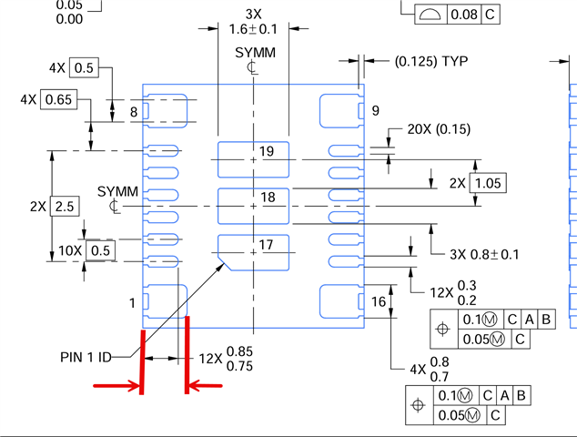
We’re using and building symbols with TPSM86638RCGR for our latest design, and we noticed this pad dimension is missing. Could you please let us know what the correct dimension is?
Thank you!
McKenna
Tool/software:
Hi expert,
We’re using and building symbols with TPSM86638RCGR for our latest design, and we noticed this pad dimension is missing. Could you please let us know what the correct dimension is?
Thank you!
McKenna
Hi McKenna,
Let me check and get back.
Best regards,
Usha.
Hi McKenna,
Please find attached image for the dimensions.
Best regards,
Usha.
Hi Usha,
Thanks for your feedback here! Can we get this added to the datasheet?
Thank you!
McKenna
Hi Mckenna,
Sure, will update the datasheet in the next revision.
Best regards,
Usha.