TPS923652: TPS923655DMTREVM,TPS92365x

Tool/software:

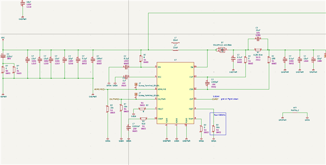
Hello expert 

I set the LED current to 700mA and applied 3.3V to the EN pin. I applied a 20kHz, 50% duty PWM signal to the other adjustment pin. I plan to turn it on and off from the EN pin. Since I want to use four different colors, each has a different Vf. And since my power supply varies between 9 and 36V, I placed a 1.024V reference IC on the OVP pin. However, something happened in my circuit: I saw 28mA of LED current. There are six LEDs in series, and the input voltage is 12V at this point. As I mentioned, it can range from 9 to 36V. That's why I'm using it in buck boost mode. After a while, the IC burned out. What should I do? What is my error?
best regards