Other Parts Discussed in Thread: UCC28064A, , UCC28064
Tool/software:
Hello expert,
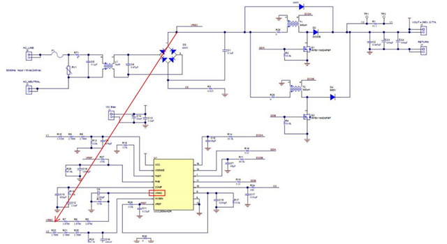
Could UCC28070(CCM) and UCC28064A(CrM) externally apply High VDC input (100Vdc-300Vdc) then Boost to Bulk cap. for working normally?
Its VINAC pin is to detect PFC MPP cap(after full bridge) RMS value to set brownout and brown-in voltage levels. Could we calculate VDC to determine DC_in 's Vi/Bo point?
Could we apply High VDC at input and work normally?
Do we have any valley detect PFC IC Bi/Bo solution? They don't want to detect RMS value since externally applied High VDC at input is not workable. Thanks a lot!



Best regards,
Ann Lien