Tool/software:
Hi Team
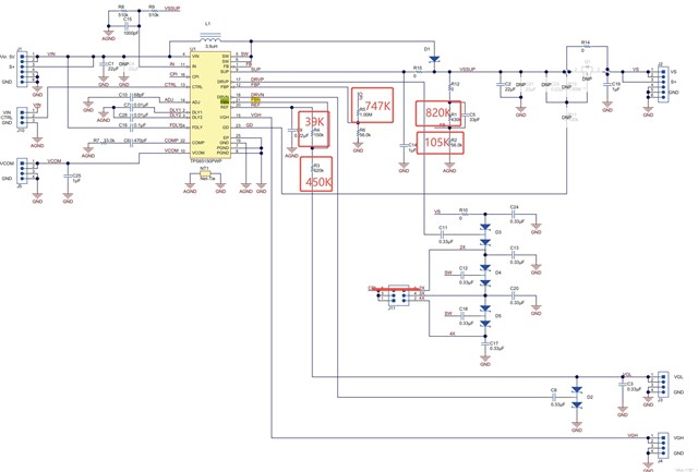
We used TPS65150, but meet some issues on the design:
Input requirement, 3.3V
Target VGH = 18V, VGL=-14V, VS=10V, the design is as below.
It seems that the device enter into OVP, only VS=3V, could you help check below design Rfb value?

-Thomas