Thanks for your attention,we and our customer all want to know What it will be the maximum actual measured delay time for voltage/current protection in sleep mode?
voltage time=5s;dsg/chg relax time=30s;dsg/chg current threshold=20mA;
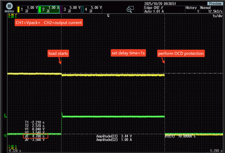
cuv/ocd delay time(set-value)=1s;
In sleep mode,give a load which can triger OCD,eg 1A.
What are the specific time components that collectively constitute the actual maximum delay time? Is it the same for current or voltage protection cause there're different update intervals in sleep mode?
For reference,in normal mode,i've ever tested ocd delay time=3s;from sleep mode,tested max. ocd delay=5s;change set-delay-value to 5s,then max.ocd delay from sleep=9s.


